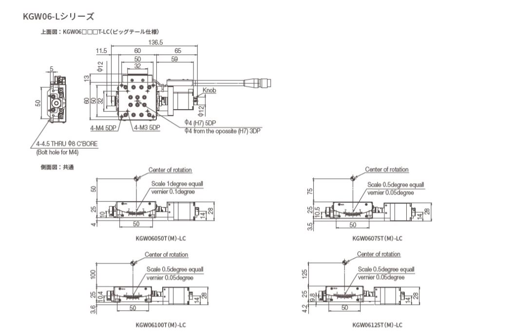
SURUGA SEIKI骏河精机滑台KGW06075T-LC青岛平山郭-158-54210565
SURUGA SEIKI骏河精机滑台KGW06075T-LC青岛平山郭-158-54210565
SURUGA SEIKI骏河精机滑台KGW06075T-LC青岛平山郭-158-54210565
舞台面尺寸60×60mm
移动量[±°]8
耐负荷[kgf]5
耐负荷[N]49
移动机构蜗轮
导向横辊导向
主材质铝-黑铝处理
舞台高度[mm]25±0.2mm
旋转中心高度75±0.2mm
基本规格Ⅱ传感器逻辑全部N。C.
连接器规格机尾
传感器盖位置L位置
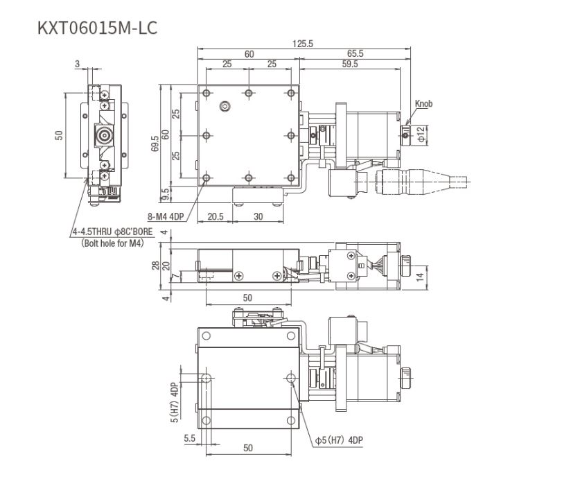
SURUGA骏河精机全自动X轴滑台KXT06015M-LC青岛平山郭-158-54210565
RELATED PRODUCTS
