...

欢迎光临郑州市平山贸易有限公司

你想找什么货品?

SHOWA昭和风机EP-63T-L313紧凑型电动鼓风机详询  关15908970566

SHOWA昭和风机EP-63T-L313紧凑型电动鼓风机详询  关15908970566

货号: #EP-63T-L313
库存: 50 无货
品牌:

¥0.00 ¥4556.00


简介

SHOWA昭和风机EP-63T-L313紧凑型电动鼓风机详询 关15908970566

产品详情

这款电动鼓风机的开发目的是为了实现多功能性,例如在工业设备和设备中组装时具有良好的可作性和易用性。
它是一种高质量的设计,可在高达 60°C 的进气温度下连续运行,防止吸气中的水分侵入轴承,并防止细小灰尘的污染。

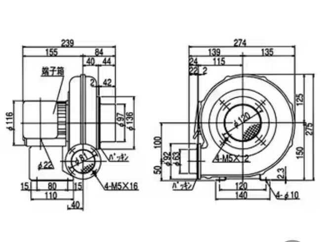
外径 (Φmm)

出口相法兰:63
吸入相法兰:97

电源电压 (V)

50 赫兹:200
60 赫兹:200/220
电流 (A)
200V/50Hz:0.8
200V/60Hz:0.8
220V/60Hz:0.8
轴承编号
叶轮侧:6202UU 反叶轮
侧:6200UU
内径 (Φmm)63 输出功率 (kW)0.1 最大风量 (m3/min)50 赫兹:5.0/60 赫兹:6.0 最大静压 (kPa)50 赫兹:0.60/60 赫兹:0.85 印刷机械, 清洗机械, 烘干机, 燃烧器, 热风发生器, 焚烧炉, 塑料挤出机, 保温仓库, 糖果机械, 厨房机械, 设备冷却, 集尘器, 木工机械, 一般鼓风机 规范带卸料丝网和吸风门 Trask 零件编号169-7102 全封闭 重量 (kg)6.5 转速 (min-1[r.p.m])50赫兹:2800/60赫兹:3400 连接方式接线端子 旋转方向 相数三个阶段 工作环境温度 (°C)-10~40 结构(叶轮)板式风扇 材料(外壳)ADC12 材料(叶轮)AC2B 系列 进气温度 (°C)60(最大) 卸料口方向可变3、2、1 RoHS 指令(10 种物质)通信


TSK关西电热热风发生器TSK-18 3200-3.5C-008Y刘15621198049
¥3544.00
TSK关西电热热风发生器TSK-18 3200-3.5C-008Y刘15621198049
ULVAC爱发科 SWU10-U 通过USB电缆连接至智能手机的皮拉尼真空计
¥0.00
ULVAC爱发科 SWU10-U 通过USB电缆连接至智能手机的皮拉尼真空计