安装:M8螺丝+螺母(非TECSYSTEM提供)
应用:U sually 用于干式变压器
Plus:无

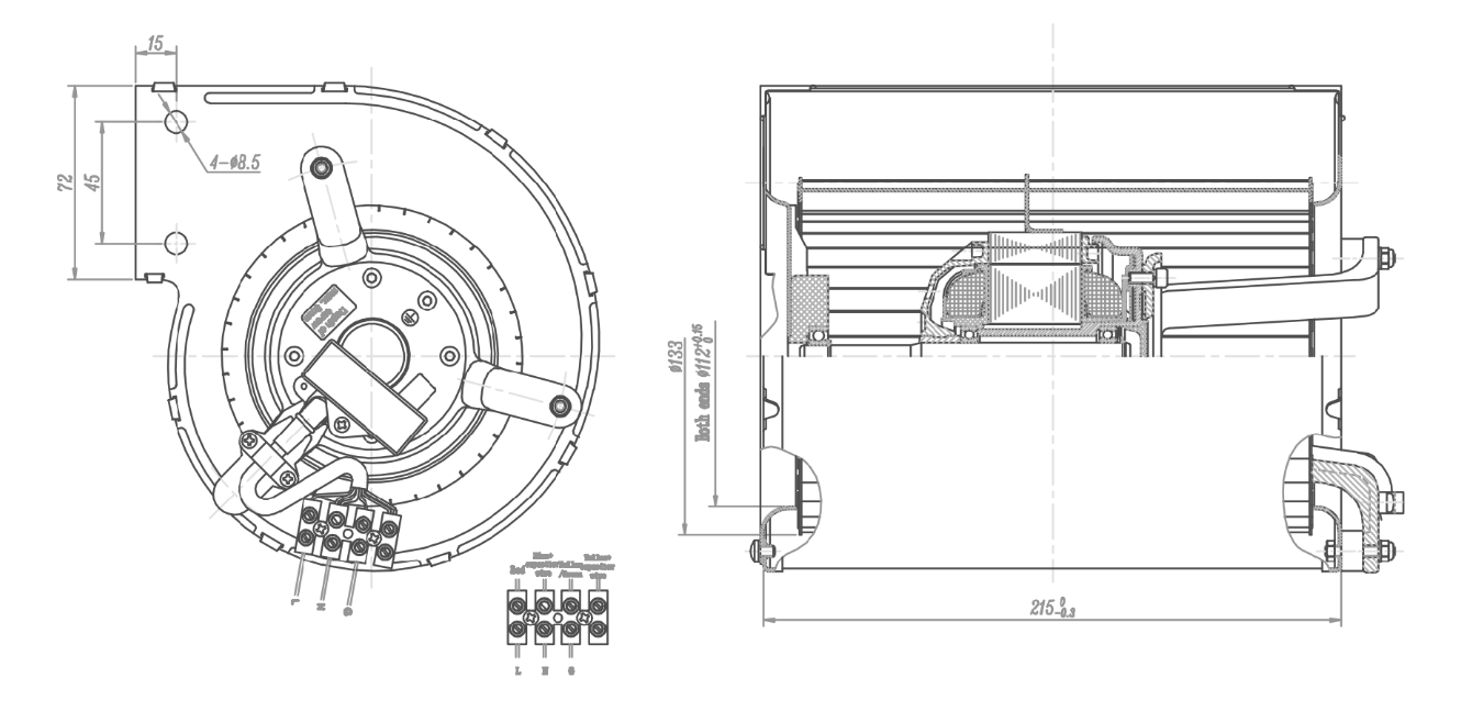
日本SHOWA DENKI昭和U75-H2-R313高压鼓风机 李:157*1387*6121
RELATED PRODUCTS
