...

欢迎光临郑州市平山贸易有限公司

你想找什么货品?

SHINKO神钢电机CLC-400离合器单元详询  关159-0897-0566

SHINKO神钢电机CLC-400离合器单元详询  关159-0897-0566

货号: #CLC-400
库存: 20 无货
品牌:

¥0.00 ¥7700.00


简介

SHINKO神钢电机CLC-400离合器单元详询 关159-0897-0566

分类: 五金工具类,
产品详情

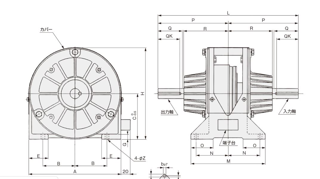
额定扭矩:0.7~180kgm

轴径(Φmm)19 质量(公斤)6.0 功耗(W)8 静摩擦扭矩(kgm)2.8 尺寸(长度×高度×宽宽)(毫米)264×175×172


MITOLOY水户工机T型扳手THP-10详询  关159-0897-0566
¥150.00
MITOLOY水户工机T型扳手THP-10详询  关159-0897-0566
TONE前田六角套筒扳手套装N0.400M详询  关159-0897-0566
¥4350.00
TONE前田六角套筒扳手套装N0.400M详询  关159-0897-0566