ODM-300S2DR型(带2触点、停止阀)
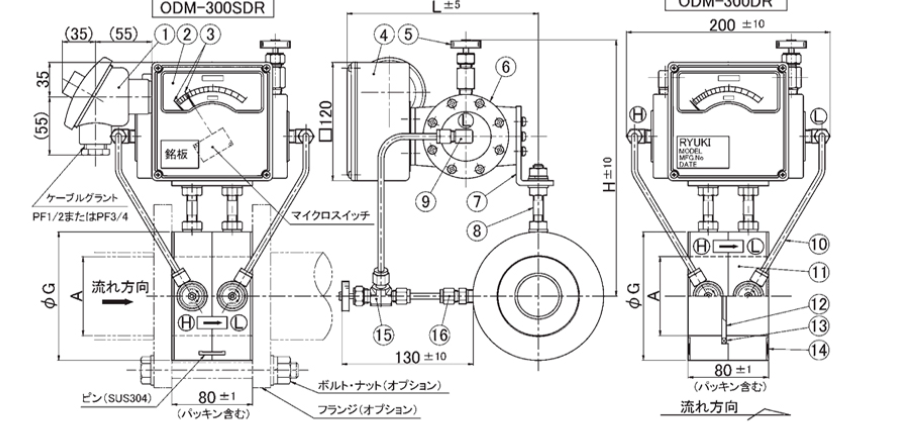
ODM-300SDR型(带1触点、止回阀)
ODM-300DR型(无触点、带止回阀)
ODM-300S2ST型(无2触点、停止阀)
ODM-300SST型(无1触点、停止阀)
ODM-300ST型(无触点、无停止阀)

AMADA天田米亚基精密晶体管式焊接电源MD-A10000A青岛平山技研刘156-21198049
RELATED PRODUCTS
